Nếu bạn không muốn mua chiếc máy đuổi muỗi Smart Sensor thì cũng có thể tự chế riêng cho mình một chiếc đơn giản, mà hiệu quả. Chiếc máy này thiết kế đơn giản, tạo tần số sóng âm của chú muỗi đực và sử dụng điện từ cổng USB máy tính. Với tần số sóng âm của muỗi đực, đảm bảo sẽ khiến muỗi cái sợ ngay tức thì. Đây là thiết kế đơn giản, dựa trên một phần cấu tạo của chiếc máy đuổi muỗi bán ngoài thị trường.
Bạn cần chuẩn bị một số linh kiện sau:
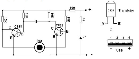
- 2 transitor C828 (giá 300đ/1 con)
- 1 loa áp điện: (một loa thạch anh mini) là loại loa mỏng có trong đồng hồ đeo tay, các thiệp nhạc… (giá khoảng 1000đ)
- 1 tụ điện 103 và 4 điện trở (giá khoảng 500đ)
- 1 pin 1,5v
- 1 đèn LED báo hiệu,
Tổng cộng hết khoảng 3000đ hoặc không cần phải phải bỏ ra phí này nếu bạn lấy chúng từ những đồ điện bị hỏng (vì tất cả đều là những linh kiện rất phổ biến)
Bước 1: Bạn xem hướng dẫn cách ráp mạch trong hình 1, nên sắp xếp các linh kiện sát với nhau để tạo ra một mạch càng nhỏ càng tốt.

Bạn cần đợi cho mỏ hàn thật nóng, chấm chì vào sợi dây trước, sau đó mới hàn thật nhanh vào phần bên trong được đánh dấu. Nếu làm chậm, phần thạch anh sẽ cháy lan ra, khiến bạn không hàn được nữa. Đó là lý do người ta đánh dấu vùng hàn cho bạn, vì nếu có bị cháy thì chỉ cháy phần bên trong được đánh dấu, bạn sẽ có cơ hội thứ hai để hàn vào phần thạch anh vùng bên ngoài (nếu bị cháy tiếp thì chỉ còn nước… vất đi).
Bước 3: Sau khi làm xong mạch như trên, bạn cần một chiếc hộp để đựng mạch và loa. Bạn có thể tận dụng những chiếc hộp bằng nhựa nhỏ (ở đây, tôi dùng một chiếc nắp chụp ở đầu bàn chải đánh răng). Chiếc hộp phải đủ chỗ cho phần mạch, loa thạch anh và một cổng USB.
Bạn dùng mỏ hàn, hay dao nhọn cắt một cái lỗ hình chữ nhật vừa đủ cho cổng USB lòi ra, rồi dùng keo dán cố định nó lại để khi rút ra cắm vào không bị tuột ra. Bạn hàn phần nguồn của mạch vào cổng USB như Hình 2, rồi cố định bo mạch lại để không bị chập mạch.
Với phần loa thạch anh, bạn dùng một ít keo dán vào một bên loa với vỏ hộp (không nên dán hết, vì phải chừa khoảng trống cho loa kêu nữa). Trên vỏ hộp, phía có loa, bạn đục vài lỗ để âm thanh từ loa phát ra. Cuối cùng, bạn trang trí vỏ hộp lại cho đẹp (dùng decal dán bên ngoài).
